un bureau d'étude reconnu
Nos services en ingénierie électrique – ETIE
Chez ETIE, nous accompagnons depuis près de 20 ans les entreprises, collectivités et acteurs industriels dans leurs projets électriques.
Notre objectif : vous garantir des installations fiables, conformes et performantes, en vous apportant un accompagnement global – de l’assistance technique à la réalisation de vos études (note de calculs, schémas…) grâce à notre expertise CANECO.
Basés en région PACA, nous intervenons sur l’ensemble du territoire français, DOM-TOM compris dans les secteurs tertiaire, industriel et nucléaire.
Notes de calculs électriques sous CANECO BT
La fiabilité d’une installation électrique repose sur des calculs précis et conformes aux normes.
Avec CANECO BT, nous réalisons des notes de calculs détaillées qui garantissent la sécurité et la conformité de vos projets.
Notre expertise vous assure :
Des circuits parfaitement dimensionnés pour éviter toute surcharge,
Des protections et appareillages choisis avec exactitude,
- Un dimensionnement optimal des câbles,
Des résultats fiables et exploitables dans vos audits et dossiers réglementaires,
Une installation conforme, optimisée et durable.
Une continuité de service garantie grâce au traitement de la sélectivité.
Des notes de calculs fiables, prêtes à être intégrées à vos audits et conformités réglementaires.
En confiant vos notes de calculs à ETIE, vous avez l’assurance de décisions techniques sûres, précises et économiquement optimisées.
Expertise sous CANECO BT
Grâce à une utilisation prononcée du logiciel CANECO depuis près de 20 ans, ETIE met à votre service son expertise dans :
- le dimensionnement et l’optimisation des protections électriques et des câbles
- le traitement de la sélectivité
- l’analyse de non conformités existantes et la proposition de solutions au plus faible coût pour leurs mise en conformité »
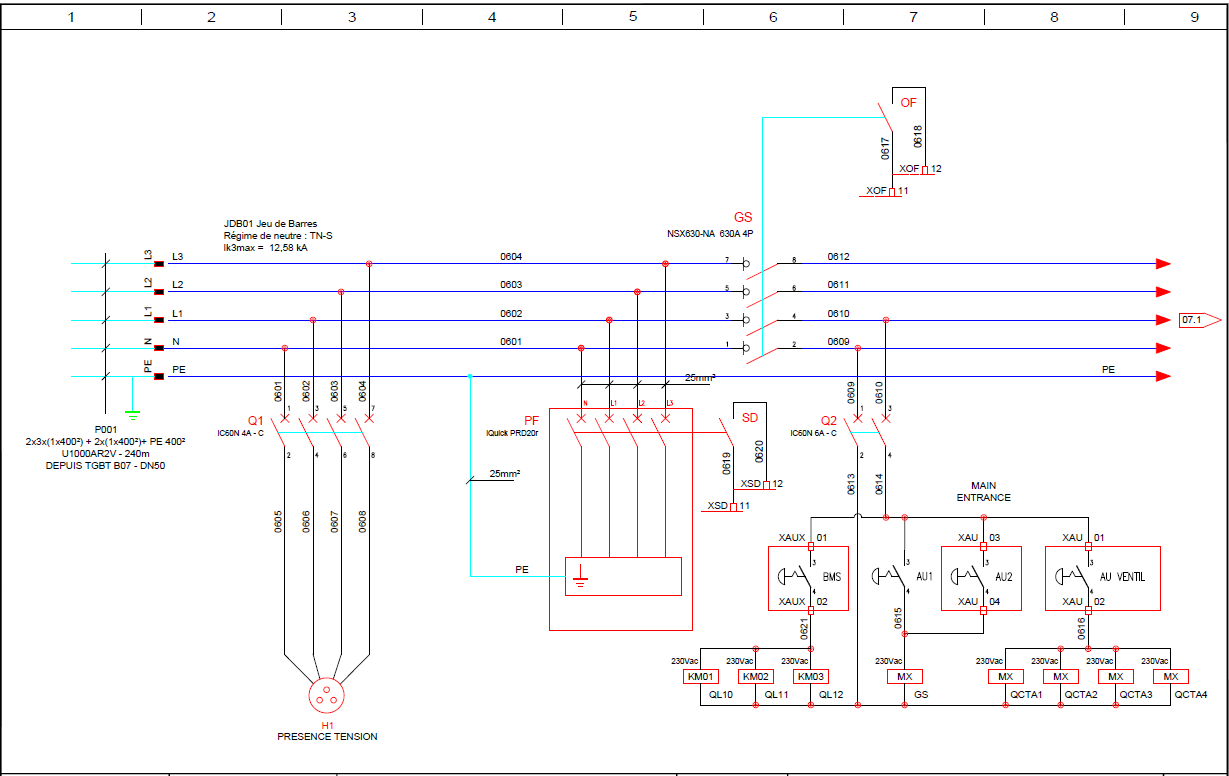
Schémas électriques et plans d'implantations sous AUTOCAD
Les schémas électriques des armoires servent de support à leur réalisation et à leur câblage. Ils sont également obligatoires pour les validations effectuées par les organismes de contrôle lors de l’installation des armoires électriques sur site.
De leur côté, les plans d’implantation permettent de représenter, sur les fonds de plans des bâtiments, la position des différents équipements électriques. Ils constituent un document de travail essentiel pour la phase chantier.
Conception d'armoires sous RAPSODY
Nous réalisons des dossiers d’études complets avec le logiciel RAPSODY de Schneider, spécialement conçus pour les tableautiers.
Notre objectif : vous fournir une base de travail claire, précise et directement exploitable pour la fabrication de vos armoires électriques.
Nos prestations incluent :
La conception de la face avant des enveloppes électriques,
La création de la nomenclature complète des équipements,
L’implantation précise des composants nécessaires pour la fabrication.
Vous gagnez ainsi en temps, fiabilité et productivité, avec une étude prête à l’emploi et conforme aux normes en vigueur.
Bilan de puissance sous EXCEL
Un bilan de puissance est essentiel pour garantir que vos installations électriques répondent aux besoins actuels tout en anticipant les évolutions futures.
Chez ETIE, nous analysons et optimisons la consommation énergétique de vos équipements afin de :
Évaluer précisément les puissances appelées par vos installations,
Identifier les déséquilibres ou surcharges éventuelles,
Ajuster et sécuriser vos systèmes de distribution,
Garantir un dimensionnement conforme aux normes en vigueur,
Préparer efficacement vos projets d’extension ou de rénovation.
Résultat : une installation plus fiable, économe et évolutive, avec des coûts d’exploitation réduits et une meilleure performance énergétique.
Bilan thermique des tableaux et coffrets électriques sous PROCLIMA
Nous réalisons un bilan thermique précis de vos tableaux et coffrets électriques afin de garantir leur bon fonctionnement et leur sécurité.
Cette étude permet de :
Analyser la température et l’hygrométrie de l’enveloppe électrique,
Identifier les risques de surchauffe et de condensation,
Déterminer les équipements nécessaires à la régulation (ventilation, climatisation, échangeurs thermiques),
Prolonger la durée de vie de vos installations et réduire les coûts de maintenance.
Grâce à cette expertise, vos installations sont fiabilisées, sécurisées et optimisées sur le long terme.
Assistance technique électrique
Nos experts vous apportent un accompagnement pour sécuriser et optimiser vos projets électriques. Nous intervenons à chaque étape, de la conception d’installations électriques à la mise en service, afin de vous garantir des choix techniques fiables et conformes aux normes en vigueur.
Notre mission :
Conseiller et guider vos décisions techniques,
Identifier les solutions les plus adaptées à vos besoins (dimensionnement, appareillage, sécurité),
Apporter un soutien réactif en cas de difficulté,
Assurer la qualité, la durabilité et la sécurité de vos installations électriques.
Avec ETIE, vous gagnez en fiabilité, en efficacité énergétique et en sérénité pour tous vos projets électriques, qu’il s’agisse de travaux tertiaires, industriels ou nucléaires.
Vous avez un projet ? Besoin d’une étude électrique, d’une note de calcul ou d’une assistance technique ? ETIE vous accompagne avec réactivité et expertise.
Études spécialisées et réalisations en ingénierie électrique
Notre équipe a participé à des projets variés, allant du tertiaire au nucléaire :
Secteur tertiaire
Études électriques pour domaines, villas, résidences, bornes de recharge.
Projet RJH – Réacteur Jules Horowitz
Validation des études de dimensionnement, référent sur les notes de calculs.
Ces références témoignent de notre capacité à répondre à des exigences techniques très élevées, tout en restant flexibles pour accompagner des projets de plus petite envergure.
